²úÆ·¼ò½é£ºJD-CZ5³µÔØÆøÏóÕ¾ÊÇÒ»¿î¸ß¶È¼¯³É¡¢µÍ¹¦ºÄ¡¢¿É¿ìËÙ×°ÖᢱãÓÚÒÆ¶¯¼à²âµÄ¸ß¾«¶È×Ô¶¯ÆøÏóÊÓ²ì×°±¸¡£¡£¡£¡£¡£¡£
Ò»¡¢²úÆ·¼ò½é
JD-CZ5³µÔØÆøÏóÕ¾ÊÇÒ»¿î¸ß¶È¼¯³É¡¢µÍ¹¦ºÄ¡¢¿É¿ìËÙ×°ÖᢱãÓÚÒÆ¶¯¼à²âµÄ¸ß¾«¶È×Ô¶¯ÆøÏóÊÓ²ì×°±¸¡£¡£¡£¡£¡£¡£
ÆÕ±éÔËÓÃÓÚÆøÏó¡¢Å©ÁÖ¡¢»·±£¡¢º£Ñó¡¢»ú³¡¡¢¿Ú°¶¡¢¿ÆÑ§¿¼²ì¡¢Ð£Ô°½ÌÓýµÈÁìÓò¡£¡£¡£¡£¡£¡£
¸Ã×°±¸½ÓÄÉÎåÒªËØÒ»Ìåʽ´«¸ÐÆ÷£¬£¬£¬£¬£¬£¬£¬¿É¶Ô·çËÙ¡¢·çÏò¡¢¿ÕÆøÎ¶ȡ¢Êª¶È¡¢´óÆøÑ¹Á¦µÈÆøÏóÒªËØ¾ÙÐÐʵʱÊӲ죬£¬£¬£¬£¬£¬£¬´«¸ÐÆ÷Íâ¿Ç½ÓÄÉÈë¿ÚABS²ÄÖÊ£¬£¬£¬£¬£¬£¬£¬¸üÓÐÓöԿ¹ÑÎÎíµÈÇéÐΣ¬£¬£¬£¬£¬£¬£¬·À»¤Æ·¼¶µÖ´ïIP65ÒÔÉÏ¡£¡£¡£¡£¡£¡£
±êÅä485תUSBÏߣ¬£¬£¬£¬£¬£¬£¬¿ÉÒÔÅþÁ¬Ìõ¼Ç±¾»òÕßpadÖ±½Ó¶ÁÈ¡Êý¾Ý¡£¡£¡£¡£¡£¡£¿£¿£¿£¿£¿Í»§¿Éƾ֤×ÔÉíÇéÐΣ¬£¬£¬£¬£¬£¬£¬Ëæ»úÑ¡Åäpadһ̨¡£¡£¡£¡£¡£¡£
¶þ¡¢²úÆ·ÌØµã
1¡¢¶¥¸ÇÒþ²ØÊ½³¬Éù²¨Ì½Í·£¬£¬£¬£¬£¬£¬£¬×èÖ¹ÓêѩȺ¼¯µÄ×ÌÈÅ£¬£¬£¬£¬£¬£¬£¬×èÖ¹×ÔÈ»·çÕÚµ²
2¡¢ÔÀíΪ·¢ÉäÒ»Á¬±äƵ³¬Éù²¨Ðźţ¬£¬£¬£¬£¬£¬£¬Í¨¹ýÕÉÁ¿Ïà¶ÔÏàλÀ´¼ì²â·çËÙ
3¡¢×°±¸µ×²¿Å䱸¸ßÇ¿¶È´ÅÌú£¨Ï𽺰ü¹ü£©£¬£¬£¬£¬£¬£¬£¬¿ÉÎÞËðÎü¸½ÓÚ³µ¶¥
4¡¢¼õÕðÊÖÌáÏ䣬£¬£¬£¬£¬£¬£¬Àû±ãЯ´ø
5¡¢ÄÚÖõç×ÓÂÞÅÌ£¬£¬£¬£¬£¬£¬£¬×Ô¶¯ÕÒ±±
6¡¢±±¶·ÓëGPS˫ģ¶¨Î»£¬£¬£¬£¬£¬£¬£¬×î¸ß¾«¶È0.1Ã×
Èý¡¢ÊÖÒÕ²ÎÊý
1¡¢·çËÙ£º³¬Éù²¨ÔÀí£¬£¬£¬£¬£¬£¬£¬0¡«60m/s£¨¡À0.1m/s£©£¬£¬£¬£¬£¬£¬£¬¿É²âÕæÊµ·çËÙ
2¡¢·çÏò£º³¬Éù²¨ÔÀí£¬£¬£¬£¬£¬£¬£¬0¡«360¡ã£¨¡À2¡ã£©
3¡¢¿ÕÆøÎ¶ȣºÕÉÁ¿ÔÀí¶þ¼«¹Ü½áµçѹ·¨£¬£¬£¬£¬£¬£¬£¬-40-60¡æ£¨¡À0.3¡æ£©
4¡¢¿ÕÆøÊª¶È£ºÕÉÁ¿ÔÀíµçÈÝʽ£¬£¬£¬£¬£¬£¬£¬0-100%RH£¨¡À3%RH£©
5¡¢´óÆøÑ¹Á¦£ºÕÉÁ¿ÔÀíѹ×èʽ£¬£¬£¬£¬£¬£¬£¬300-1100hpa£¨¡À0.25%£©
6¡¢Êý¾Ý´æ´¢£º²»ÉÙÓÚ50ÍòÌõ£»£»£»£»£»
7¡¢¹¦ºÄ£º1.75W
8¡¢ï®µç³Ø£ºÈÝÁ¿12000maH£¬£¬£¬£¬£¬£¬£¬Ðøº½Ê±¼ä¡Ý50h
9¡¢×ÜÖØÁ¿£º¡Ü5kg£»£»£»£»£»
10¡¢²¼Éèʱ¼ä£º1ÈË£¬£¬£¬£¬£¬£¬£¬²»´óÓÚ2·ÖÖÓÍê³É²¼É裻£»£»£»£»
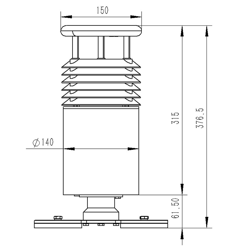
ËÄ¡¢³ß´çͼ


Îå¡¢ÉÏλ»úÈí¼þÏÈÈÝ
1¡¢PCµ¥»ú°æÊý¾ÝÎüÊÕ¡¢´æ´¢¡¢Éó²é¡¢ÆÊÎöÈí¼þ
2¡¢Ö§³Ö´®¿ÚÊý¾ÝÎüÊÕ¡¢´¦Öóͷ£¡¢Õ¹Ê¾
3¡¢Ö§³Öjson×Ö·û´®¡¢modbus485µÈͨѶ·½·¨
4¡¢¿É×ÔÉèÖô洢ʱ¼ä£¬£¬£¬£¬£¬£¬£¬modbus485ÊÕÂÞģʽÏ¿É×ÔÉèÖÃÊÕÂÞʱ¼ä
5¡¢Ö§³Ö×ÔÖúÔöÌí¡¢É¾³ý¡¢Ð޸ļà²â²ÎÊýµÄÐÒé¡¢Ãû³Æ¡¢Í¼±êµÈ
6¡¢Ö§³ÖÊý¾Ýºó´¦Öóͷ£¹¦Ð§
7¡¢Ö§³ÖÍâÖÃÔËÐÐjavascript¾ç±¾