²úÆ·¼ò½é£ºJD-WQX5ÐÍÎåÒªËØÎ¢ÆøÏóÒÇÁ¢ÒìÐԵؽ«ÆøÏó±ê×¼Îå²ÎÊý£¨ÇéÐÎζȡ¢Ïà¶Ôʪ¶È¡¢·çËÙ¡¢·çÏò¡¢´óÆøÑ¹Á¦£©Í¨¹ýÒ»¸ö¸ß¼¯³É¶È½á¹¹À´ÊµÏÖ¡£¡£¡£¡£¡£¡£¡£
Ò»¡¢²úÆ·¼ò½é
¡¡¡¡¡¶·Ç·²ÓéÀÖ¡·com×÷ΪרҵÑб¬·¢²úÏúÊÛ΢ÐÍÆøÏóÒÇµÄÆóÒµ£¬£¬£¬£¬£¬£¬£¬£¬Ò»Ö±ÖÂÁ¦ÓÚ΢ÐÍÆøÏóÒÇºÍÆøÏóÇéÐνâ¾ö¼Æ»®ÍƹãÓ¦Óᣡ£¡£¡£¡£¡£¡£¾ßÓÐÍêÕûµÄÉú²úÁ´¡¢ÊµÁ¦ÐÛºñµÄÊÖÒÕÍŶӺÍÖÜÈ«µÄÓªÏúÍŶӣ¬£¬£¬£¬£¬£¬£¬£¬ÎÒÃÇÑб¬·¢²úµÄ³¬Éù²¨·çËÙ·çÏòÒÇ¡¢ÎåÒªËØÎ¢ÆøÏóÒÇ¡¢ÁùÒªËØÎ¢ÆøÏóÒǺÍСÐÍ×Ô¶¯ÆøÏóÕ¾µÈÆøÏó²úÆ·£¬£¬£¬£¬£¬£¬£¬£¬ÒÑÆÕ±éÓ¦Óõ½ÆøÏó¼à²â¡¢¶¼»áÇéÐμà²â¡¢·çÁ¦·¢µç¡¢º½º£´¬²°¡¢º½¿Õ»ú³¡¡¢ÇÅÁºËíµÀµÈÁìÓò£¬£¬£¬£¬£¬£¬£¬£¬¿Í»§±é²¼Ììϸ÷µØ£¬£¬£¬£¬£¬£¬£¬£¬²¢È¡µÃÁËÓÅÒìµÄÉç»áÐ§ÒæºÍ¾¼ÃÐ§Òæ¡£¡£¡£¡£¡£¡£¡£
¡¡¡¡Óë¹Å°åµÄ΢ÐÍÆøÏóÒÇÏà±È£¬£¬£¬£¬£¬£¬£¬£¬ÎÒ˾²úƷսʤÁ˶Ը߾«¶È¼ÆÊ±Æ÷µÄÐèÇ󣬣¬£¬£¬£¬£¬£¬£¬×èÖ¹ÁËÒò´«¸ÐÆ÷Æô¶¯ÑÓʱ¡¢½âµ÷µç·ÑÓʱ¡¢Î¶Èת±ä¶øÔì³ÉµÄÕÉÁ¿½û¾øÎÊÌâ¡£¡£¡£¡£¡£¡£¡£
¡¡¡¡JD-WQX5ÐÍÎåÒªËØÎ¢ÆøÏóÒÇÁ¢ÒìÐԵؽ«·çËÙ¡¢·çÏò¡¢Î¶ȡ¢Êª¶È¡¢´óÆøÑ¹Á¦Í¨¹ýÒ»¸ö¸ß¼¯³É¶È½á¹¹À´ÊµÏÖ£¬£¬£¬£¬£¬£¬£¬£¬¿ÉʵÏÖ»§ÍâÆøÏó²ÎÊý24СʱһÁ¬ÔÚÏß¼à²â£¬£¬£¬£¬£¬£¬£¬£¬Í¨¹ýÊý×ÖÁ¿Í¨Ñ¶½Ó¿Ú½«ÎåÏî²ÎÊýÒ»´ÎÐÔÊä³ö¸øÓû§¡£¡£¡£¡£¡£¡£¡£
¶þ¡¢²úÆ·ÌØµã
1¡¢¶¥¸ÇÒþ²ØÊ½³¬Éù²¨Ì½Í·£¬£¬£¬£¬£¬£¬£¬£¬×èÖ¹ÓêѩȺ¼¯µÄ×ÌÈÅ£¬£¬£¬£¬£¬£¬£¬£¬×èÖ¹×ÔÈ»·çÕÚµ²
2¡¢ÔÀíΪ·¢ÉäÒ»Á¬±äƵ³¬Éù²¨Ðźţ¬£¬£¬£¬£¬£¬£¬£¬Í¨¹ýÕÉÁ¿Ïà¶ÔÏàλÀ´¼ì²â·çËÙ·çÏò
3¡¢·çËÙ¡¢·çÏò¡¢Î¶ȡ¢Êª¶È¡¢´óÆøÑ¹Á¦ÎåÒªËØÒ»Ìåʽ
4¡¢½ÓÄÉÏȽøµÄ´«¸ÐÊÖÒÕ£¬£¬£¬£¬£¬£¬£¬£¬ÊµÊ±ÕÉÁ¿£¬£¬£¬£¬£¬£¬£¬£¬ÎÞÆô¶¯·çËÙ¡î
5¡¢¿¹×ÌÈÅÄÜÁ¦Ç¿£¬£¬£¬£¬£¬£¬£¬£¬¾ßÓп´ÃŹ·µç·,×Ô¶¯¸´Î»¹¦Ð§,°ü¹ÜϵͳÎȹÌÔËÐÐ
6¡¢¸ß¼¯³É¶È£¬£¬£¬£¬£¬£¬£¬£¬ÎÞÒÆ¶¯²¿¼þ£¬£¬£¬£¬£¬£¬£¬£¬ÁãÄ¥Ëð
7¡¢Ãâά»¤£¬£¬£¬£¬£¬£¬£¬£¬ÎÞÐèÏÖ³¡Ð£×¼
8¡¢½ÓÄÉASA¹¤³ÌËÜÁÏÊÒÍâÓ¦ÓÃÖÕÄêÎȹÌÉ«
9¡¢²úÆ·Éè¼ÆÊä³öÐźűêÅäΪRS485ͨѶ½Ó¿Ú£¨MODBUSÐÒ飩£»£»£»£»£»£»£»¿ÉÑ¡Åä232¡¢USB¡¢ÒÔÌ«Íø½Ó¿Ú£¬£¬£¬£¬£¬£¬£¬£¬Ö§³ÖÊý¾Ýʵʱ¶ÁÈ¡¡î
10¡¢¿ÉÑ¡ÅäÎÞÏß´«ÊäÄ£¿£¿£¿£¿£¿£¿£¿£¿é£¬£¬£¬£¬£¬£¬£¬£¬×îС´«Êä¾àÀë1·ÖÖÓ
11¡¢Ì½Í·Îª¿¨¿ÛʽÉè¼Æ£¬£¬£¬£¬£¬£¬£¬£¬½â¾öÁËÔËÊä¡¢×°ÖÃÀú³ÌËɶ¯½û¾øµÄÎÊÌâ¡î
Èý¡¢ÊÖÒÕ²ÎÊý
1¡¢·çËÙ£ºÕÉÁ¿ÔÀí³¬Éù²¨£¬£¬£¬£¬£¬£¬£¬£¬0¡«60m/s£¨¡À0.1m/s£©Çø·ÖÂÊ0.01m/s£»£»£»£»£»£»£»
2¡¢·çÏò£ºÕÉÁ¿ÔÀí³¬Éù²¨£¬£¬£¬£¬£¬£¬£¬£¬0¡«360¡ã£¨¡À2¡ã£©£»£»£»£»£»£»£»Çø·ÖÂÊ£º1¡ã£»£»£»£»£»£»£»
3¡¢¿ÕÆøÎ¶ȣºÕÉÁ¿ÔÀí¶þ¼«¹Ü½áµçѹ·¨£¬£¬£¬£¬£¬£¬£¬£¬-40-80£¨¡À0.3¡æ£©£¬£¬£¬£¬£¬£¬£¬£¬Çø·ÖÂÊ0.01¡æ£»£»£»£»£»£»£»
4¡¢¿ÕÆøÊª¶È£ºÕÉÁ¿ÔÀíµçÈÝʽ£¬£¬£¬£¬£¬£¬£¬£¬0-100%RH£¨¡À3%RH£©,Çø·ÖÂÊ£º0.1%RH£»£»£»£»£»£»£»
5¡¢´óÆøÑ¹Á¦£ºÕÉÁ¿ÔÀíѹ×èʽ£¬£¬£¬£¬£¬£¬£¬£¬300-1100hpa£¨¡À0.25%£©£¬£¬£¬£¬£¬£¬£¬£¬Çø·ÖÂÊ0.1hpa£»£»£»£»£»£»£»
6¡¢¹¦ÂÊ:0.72W
7¡¢Éú²úÆóÒµ¾ßÓÐISOÖÊÁ¿ÖÎÀíϵͳ¡¢ÇéÐÎÖÎÀíϵͳºÍÖ°Òµ¿µ½¡ÖÎÀíϵͳÈÏÖ¤¡î
9¡¢Éú²úÆóҵΪ3A¼¶ÐÅÓÃÆóÒµ¡î
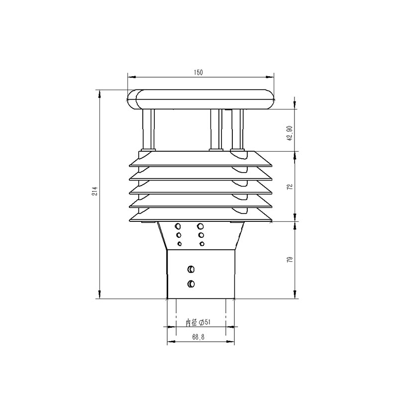
ËÄ¡¢²úÆ·³ß´çͼ

Îå¡¢²úÆ·½á¹¹Í¼

1¡¢¿ØÖƵç·
2¡¢Ö¸±±¼ýÍ·
3¡¢³¬Éù²¨Ì½Í·
4¡¢°ÙÒ¶Ïä
5¡¢Î¶ȡ¢Êª¶È¡¢ÆøÑ¹¼à²âλÖÃ
6¡¢µ×²¿Àο¿·¨À¼
¡ù´Ë²úÆ·¿ÉÑ¡Åäµç×ÓÂÞÅÌ¡¢GPRS(ÄÚÖÃ)/GPS£¨¶þѡһ£©
Áù¡¢²úÆ·½ÓÏß½ç˵
½ç˵ | ±¸×¢ | |
VCC | µçÔ´Õý | DC12V |
GND | µçÔ´µØ | |
485A | RS485A | |
485B | RS485B |












